Rodillo inferior para excavadora Caterpillar E350
Solicite un presupuesto
                                    
                                                                                                    
                                                                
                                - Modelos de excavadoras Caterpillar compatibles E350 2Z I-UP, E350 7RK 1-UP, E350 8HK 1-UP, E350 3ML 1-UP, E350 9FL 1-UP
- Números de piezas OEM 109-1214, 134-1014, 142-6942, 149-7106, 152-4129, 189-0475, 8E4288, CR6400
Especificaciones técnicas
 - Descripción: Rodillo de oruga
- Origen: China
- Marca: PT'ZM
- Modelo de máquina aplicable: E350
- Marca de máquina aplicable: Caterpillar
- Número de pieza: 152-4129
- Certificado: GB/T19001-2016, ISO9001:2015
- Precio: A convenir
- Método de embalaje: Embalaje marítimo fumigado
- Plazo de entrega: 7-30 días
- Condiciones de pago: Transferencia bancaria (consultar otras condiciones)
- Condiciones de envío: FOB, CIF, CFR
- Cantidad mínima de pedido: 1 unidad
- Capacidad de suministro: 1000 unidades/mes
- Material: 40MnB2/42CrMo
- Proceso de fabricación: Forjado
- Acabado: Liso
- Dureza: HRC48-55, profundidad: 8-10mm
- Calidad: Construcción y minería
- Periodo de garantía: 12 Meses
- Servicio posventa: Soporte técnico por video, soporte en línea
- Color: Negro o a petición del cliente
- Aplicación: Excavadora de cadenas
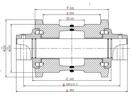
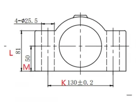
Tabla de tamaño (unidad: mm)
| E350 | A | B | C | D | E | F | 
| 484 | 420 | 342 | 110 | 250 | 320 | |
| I | J | L | M | K | ||
| 250 | 210 | 81 | 50 | 130 | 
Productos relacionados
                                    Comentarios
                                    
                                    
                                Otros productos
                                    
                                                            Novedades
                        Más
                                                                                                                                                                                                                                                                                                                                                                            
                                                                                                                                
                                                                                                                                
                                                                                                                                
                                                                                                                                
                                                                                                                                
                                                                                    Otros productos
                        Vídeos
                            
                                            
 
                                                 
                                                 
                                                
 
                                                                                                             
                                                                                                             
                                                                                                             
                                                                                                             
                                                                                                     
                                                                                                     
                                                                                                     
                                                                                                     
                                                                                     
                                                                                     
                                                                                     
                                                                                     
                                                                                     
                                                                                     
                                                                                     
                                                                                     
                                                                                     
                                                                                     
                                                                             
                                                                             
                                                                             
                                                                             
                                                                             
                                            
                                         
                                            
                                         
                                            
                                         
                                            
                                         
                                            
                                        