Válvula de control direccional seccional SMWV-08
Válvula de control hidráulica multidireccional para el control del flujo de fluidos en diversas máquinas industriales y agrícolas
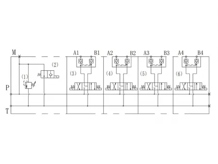
La válvula de control direccional seccional SMWV-08 está diseñada para requisitos de mayor caudal en sistemas hidráulicos exigentes. Utiliza un mecanismo de carrete electromagnético para arrancar, detener y redirigir el fluido hidráulico, pero está optimizada para aplicaciones de servicio pesado y máquinas de mayor capacidad. Su solenoide de CC de tipo húmedo está completamente sellado y aislado, lo que permite un movimiento suave del inducido en el aceite para reducir el desgaste, amortiguar los impactos hidráulicos y mejorar la refrigeración. Esto se traduce en una mayor fiabilidad de conmutación y una mayor vida útil de la válvula. El bloque de control cuenta con conductos de fluido fundidos, lo que minimiza la pérdida de presión y mejora la eficiencia general del flujo en maquinaria pesada.
- Diseño modular y compacto con capacidad para combinar múltiples módulos de válvulas.
- La estructura de bloqueo hidráulico integrado simplifica los circuitos hidráulicos y mejora la seguridad.
- Baja pérdida de presión y alta eficiencia, lo que ayuda a reducir el consumo energético general de la máquina.
| Presión nominal | 210bar |
| Caudal nominal | 50L/min |
| Rango de temperatura del fluido | -20℃~80℃ |
| Contamination Level | ISO 4406 CLASS 20/18/15 |
| Tratamiento de superficies | Niquelado |
| Rango de viscosidad del aceite | ISO 20~400mm²/s |
La válvula de control direccional seccional se utiliza comúnmente en maquinaria de cosecha, plataformas de trabajo aéreo y equipos de saneamiento que requieren un mayor manejo de flujo hidráulico:
- Maquinaria de cosecha (p. ej., cosechadoras): Gestiona sincronizadamente la altura de la mesa, la velocidad de rotación del tambor y los mecanismos de limpieza, adaptándose a los cambios de carga del campo.
- Plataformas aéreas de trabajo (p. ej., elevadores de pluma multietapa): Proporciona un control preciso de la extensión de la pluma multisección, la nivelación y la rotación de la plataforma para operaciones elevadas estables y seguras.
- Vehículos de saneamiento (p. ej., compactadores de basura): Coordina la elevación del contenedor, el movimiento de la placa compactadora y los controles del tanque de aguas residuales para un funcionamiento fluido y confiable.

