Divisor de Flujo
Solicite un presupuesto
Combina diferentes motorreductores hidráulicos que están conectados por un eje
Información Técnica
- Desplazamiento: 1.4~230cm³/rev.
- Dirección de rotación: reversible (R)
- Velocidad mínima: 600r/min
- Velocidad máxima: 2500r/min
- Presión máxima: 150~230bar
Indicaciones para elegir Divisor de Flujo Síncrono, Grupo 2
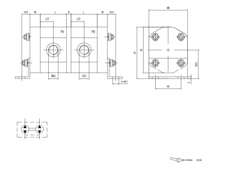
Dimensiones estándar del Divisor de Flujo Síncrono, Grupo 2
| Desplazamiento | Presión máx. | Velocidad máx. | Velocidad min. | Dimensions | Código del puerto de aceite | Entrada | Salida | Código del puerto de aceite | Entrada | Salida |
| PA | PA | L | PA | B | c | PB | C | c | ||
| (cm³/rev.) | bar | (r/min) | (r/min) | mm | ||||||
| 1.4 | 230 | 2500 | 600 | 44.1 | L1 | G1/2 | G1/2 | L1 | G1/2 | G1/2 |
| 2.1 | 230 | 46.1 | L1 | G1/2 | G1/2 | L1 | G1/2 | G1/2 | ||
| 2.8 | 230 | 48.1 | L1 | G1/2 | G1/2 | L1 | G1/2 | G1/2 | ||
| 3.5 | 210 | 50.1 | L1 | G1/2 | G1/2 | L1 | G1/2 | G1/2 | ||
| 4.1 | 210 | 52.1 | L1 | G1/2 | G1/2 | L1 | G1/2 | G1/2 | ||
| 5.2 | 200 | 55.1 | L1 | G1/2 | G1/2 | L1 | G1/2 | G1/2 | ||
| 6.2 | 200 | 58.1 | L1 | G1/2 | G1/2 | L1 | G1/2 | G1/2 | ||
| 7.6 | 180 | 62.1 | L1 | G1/2 | G1/2 | L1 | G1/2 | G1/2 | ||
| 9.3 | 170 | 67.1 | L1 | G1/2 | G1/2 | L1 | G1/2 | G1/2 | ||
| 11 | 170 | 72.1 | L1 | G1/2 | G1/2 | L1 | G1/2 | G1/2 | ||
| 13.8 | 150 | 80.1 | L1 | G1/2 | G1/2 | L1 | G1/2 | G1/2 |

