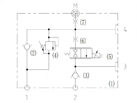
Bloque de válvula de control del cilindro de descenso CCM-2
Solicite un presupuesto
Bloques de válvula hidráulica para un control suave de la elevación y el descenso del elevador de tijera
- Diseño modular y compacto para un control hidráulico seguro y confiable.
- Diseño patentado con válvula de contrapeso de desplazamiento integrada para mejorar la estabilidad general de la plataforma.
- Su construcción de alta eficiencia reduce el consumo de energía, lo que prolonga el tiempo de funcionamiento del equipo.
Aplicaciones
Diseñado para plataformas de tijera, este bloque de válvula proporciona un control preciso y estable del cilindro de elevación inferior durante las acciones de elevación y descenso. Incorpora funciones de retención de presión y velocidad de descenso ajustable, lo que garantiza un movimiento seguro y fiable, contribuyendo a la eficiencia general y la seguridad operativa de la plataforma elevadora de tijera.
Especificaciones
| Presión máxima de funcionamiento | 240bar |
| Caudal nominal | 20L/min |
| Voltaje | DC24V±10% |
| Rango de temperatura del fluido | -20℃~80℃ |
| Rango de temperatura ambiente | -20℃~80℃ |
| Rango de viscosidad del aceite | ISO 20~400mm²/s |

