Bloque de válvula de acoplamiento rápido K03
Solicite un presupuesto
- El diseño optimizado minimiza el ruido del circuito piloto, asegurando un funcionamiento más silencioso y suave.
- El control proporcional de alta precisión reduce las pérdidas por estrangulamiento, mejorando la eficiencia hidráulica y el rendimiento general.
Aplicaciones
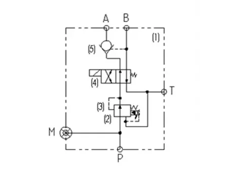
Ampliamente utilizado en maquinaria de construcción como excavadoras y cargadoras, el bloque de válvulas de acoplamiento rápido permite la conmutación del circuito hidráulico para los implementos. Está diseñado con funciones de compensación y mantenimiento de presión, lo que garantiza un funcionamiento seguro, estable y eficiente durante los cambios frecuentes de implementos.
Especificaciones
| Presión máxima de funcionamiento | 380bar |
| Caudal nominal | 10L/min |
| Voltaje | DC14V±15% |
| Rango de temperatura del fluido | -20℃~80℃ |
| Rango de temperatura ambiente | -20℃~80℃ |
| Tratamiento de superficies | Niquelado |
| Rango de viscosidad del aceite | ISO 20~400mm²/s |

