Cabezal de corte láser robótico 3D, de 3 kW
LCR03
Cabezal de corte láser con enfoque manual y eje seguidor integrado para trabajar con geometrías 3D complejas
LCR03
Cabezal de corte láser con enfoque manual y eje seguidor integrado para trabajar con geometrías 3D complejas
Nuestros cabezales de corte láser robóticos 3D de 3 kW con enfoque manual incorporan refrigeración por agua que mantiene la temperatura constante durante largas jornadas de trabajo, mientras que el sistema anticolisión se reinicia automáticamente ante impactos leves. Su carcasa ligera y sellada contra el polvo facilita la manipulación y el mantenimiento y la óptica tiene una ventana protectora de tres capas que resiste el desgaste y protege contra la contaminación, garantizando cortes precisos y confiables.
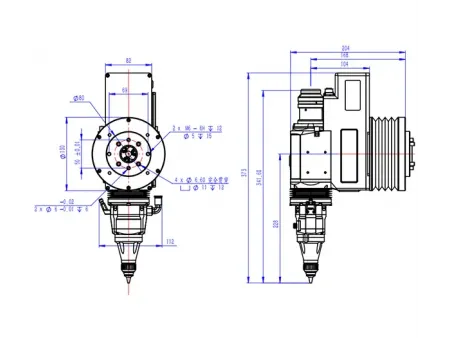
| Tipo | Cabezal de corte láser robótico 3D con enfoque manual |
| Modelo | LCR03 |
| Modo de enfoque | Enfoque manual |
| Tipo de interfaz | QBH |
| Longitud de onda | 1080 nm ± 10 nm |
| Potencia nominal | ≤4 kW |
| Longitud focal | 150 mm/125 mm |
| Longitud de colimación | 75 mm |
| Rango de enfoque | -12 mm~ 12 mm / -9 mm~ 9 mm |
| Rango de ajuste de centrado | ±1.5 mm |
| Precisión de posicionamiento del enfoque manual | 0.1 mm |
| Recorrido de seguimiento | 27 mm |
| Velocidad de seguimiento | ≤250 mm/s |
| Presión del gas auxiliar | ≤2.5 MPa |
| Peso | 5 kg |
Estos cabezales de corte láser 3D están diseñados para integrarse en máquinas de corte de cinco ejes y celdas robóticas, ideales para trabajar con carrocerías, guardabarros y otros paneles exteriores. Permiten procesar de manera constante acero al carbono, aluminio, cobre y metal galvanizado, garantizando cortes precisos y de muy buena calidad.
La refrigeración por agua de circuito cerrado en la interfaz QBH mantiene la temperatura constante y evita la condensación en la óptica, asegurando un funcionamiento prolongado y seguro del cabezal láser.
Un sistema cónico de tres puntos permite que el cabezal vuelva a su posición original después de un golpe, asegurando que la alineación se mantenga exacta y sin necesidad de ajustes adicionales.
El módulo de seguimiento de altura (con control capacitivo) está completamente sellado y es ligero, lo que evita la entrada de polvo y permite un rastreo rápido de la superficie, garantizando cortes precisos incluso a gran velocidad.
Tres capas de protección resguardan la lente de enfoque central contra polvo y salpicaduras, prolongando la vida útil del cabezal y asegurando un rendimiento confiable en la producción diaria.
El soporte del sensor, diseñado con tornillos de seguridad que se rompen en caso de impacto, protege el cabezal y envía automáticamente una señal de parada al controlador, evitando daños mayores y garantizando un funcionamiento seguro.
El sistema de detección de colisiones se conecta al controlador y corta la energía de inmediato después de un impacto, protegiendo el cabezal y evitando daños graves durante la producción.

